BSE型(彈簧制動型)空壓通軸制動器
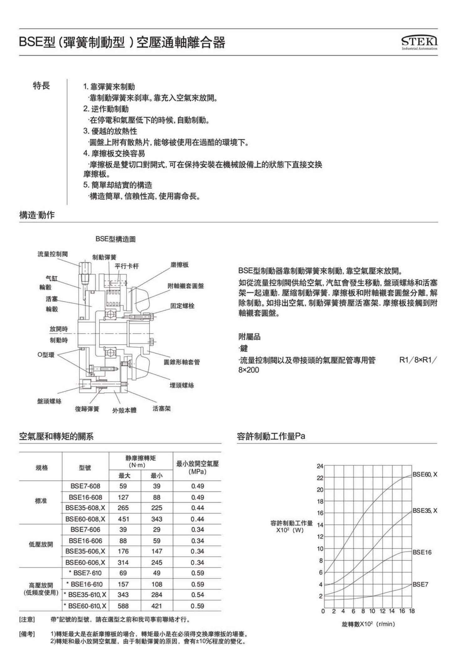
產品型號:BSE7-608、BSE16-608、BSE35-608,X、BSE60-608,X、BSE7、BSE16、BSE35,X、BSE60,X
溫馨提示:如需查看具體產品的屬性差異,請點擊立即咨詢進行咨詢。
產品詳情



上一個 :KEY型鍵條式氣脹軸
下一個
下一個 :BMA型&BMN型(模板型)空壓通軸制動器

簡體
英文


首頁
產品中心
新聞資訊
聯系我們